
CARACTÉRISTIQUES :
- Col long pour calorifuge
- Motorisable ( platine ISO 5211 )
- Oreilles de centrage
- Montage entre brides GN10/16 du DN32 au DN400 et ISO PN20 ANSI150 du DN40 au DN400 inclus ( au delà sur demande )
- Montage entre brides GN10 à partir du DN450
- Axe traversant
- Manchette en queue d’aronde démontable
- Papillon inox jusqu’au DN100 inclus
- Papillon fonte revêtu époxy +/- 40 microns du DN125 au 300, papillon fonte revêtu rilsan +/- 300 microns au-delà pour modèles 1150 et 1152
- Poignée 9 positions , cadenassable jusqu’au DN200 , blocable en toutes positions et non cadenassable du DN250 au 300
- Peinture rilsanisée couleur RAL 5024 épaisseur 250-300 microns
- Rehausse du col de 75 mm ( option )
- Carré de manœuvre 30×30 mm pour clé de fontainier ( option )
UTILISATION :
- Fluide : Selon la manchette
- Température mini et maxi admissible Ts : Selon la manchette
- Pression maxi admissible PN : 16 bars jusqu’au DN300 , 10 bars au delà
GAMME :
- Commande par levier du DN 32 au DN 300
- Axe nu du DN 350 au DN1400
- Commande possible par réducteur à volant IP65 ( Réf. 1197 ) du DN 32 au DN 1400
- Commande possible par réducteur à chaîne IP65 ( Réf. 1194 ) du DN 32 au DN 500
- Sur demande , réhausse avec longueur spéciale ( Réf. 98665 )
- Sur demande, poignée et visserie inox ( Ref. 9831250-9831264 )
RACCORDEMENT :
- Entre brides GN10-GN16 du DN 32 au DN400 et ISO PN20 ANSI150 du DN40 au DN400 inclus
- Entre brides GN10 à partir du DN 450
COEFFICIENT DE DÉBIT Kvs ( en m3 / h ) :

COUPLES DE MANŒUVRE ( en Nm sans coefficient de sécurité ) :

DIAGRAMME DE PERTES DE CHARGES :

MANCHETTES :

Les indications ci-dessus, qui résultent de notre longue expérience, sont données en toute bonne foi.
Chaque utilisation étant un cas particulier, elles ne sauraient engager notre responsabilité et nous recommandons à notre clientèle de procéder à des essais dans les conditions réelles d’utilisation.
Constructions possibles :

NOMENCLATURE DN32-200 :


NOMENCLATURE DN250-400 :


NOMENCLATURE DN450-1400 :


NOMENCLATURE RÉDUCTEUR :
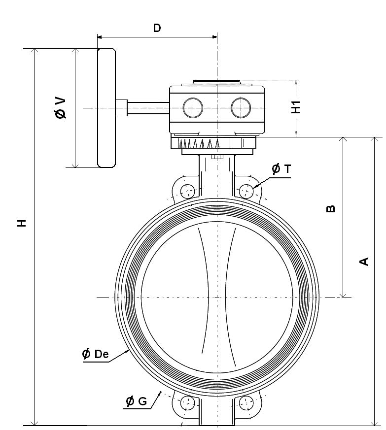
DIMENSIONS GN10 ROBINETS SEUL DN32-400 ( en mm ) :



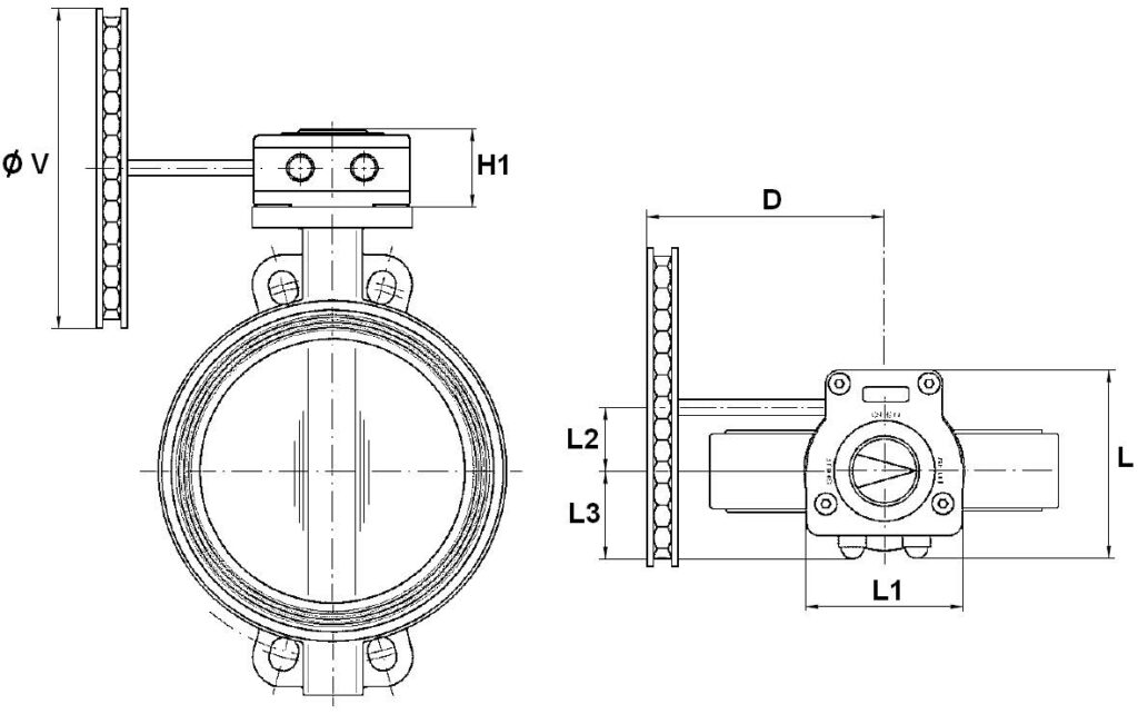
LEVIER MANUEL :

DIMENSIONS GN10 ROBINETS SEUL DN450-1400 ( en mm ) :


DIMENSIONS GN10 AVEC COMMANDE RÉDUCTEUR A VOLANT DN32-400 :



DIMENSIONS GN10 AVEC COMMANDE RÉDUCTEUR A VOLANT DN450-1400 :



DIMENSIONS GN10 AVEC COMMANDE RÉDUCTEUR A CHAINE DN32-500 :


DIMENSIONS COL ET PAPILLON :


DIMENSIONS GN10 REHAUSSE DE COL PR ISOLATION (75mm) :



DIMENSIONS CARRE DE MANŒUVRE POUR CLÉ DE FONTAINIER ( 30×30 mm ) :



DIMENSIONS PLATINE ISO ( en mm ) :



NORMALISATIONS :
- Fabrication suivant la norme ISO 9001:2008
- DIRECTIVE 97/23/CE : CE N° 0038 Catégorie de risque III module H
- Tests d’étanchéité suivant la norme ISO 5208, classe A
- Raccordement entre brides suivant la norme EN 1092-1 PN10
- Platine suivant la norme ISO 5211
- Écartement suivant la norme ISO 5752 courte série 20, EN 558 série 20 ( NF 29305 ),BS 5155 Wafer courte/médium, DIN 3202 partie 3, série K1
- ATEX Groupe II Catégorie 2 G/2D Zone 1 & 21 Zone 2 &22 ( marquage en option )
- Attestation de conformité sanitaire A.C.S. N° 07 ACC LY 504 pour modèles 1150 et 1153 du DN32 au 600
- Robinets conformes à la norme Russe GOST-R
- Robinets conformes à la norme Marine Lloyd’s N° 99/00131 du DN40 au 600
- Robinets conformes à la norme Marine ABS, Certificat N° MD1935037 jusqu’au DN1400
- Robinets conformes à la norme Marine DNV, Certificat N° P-13614
- Robinets conformes à la norme Marine BUREAU VERITAS, Certificat N° 14087/B0 BV du DN32 au 1000
- Robinets agréés par l’OTAN ( N° 286B )
PRECONISATIONS :
Les avis et conseils, les indications techniques, les propositions, que nous pouvons être amenés à donner ou à faire,
n’impliquent de notre part aucune garantie. Il ne nous appartient pas d’apprécier les cahiers des charges ou descriptifs fournis.
Il appartient au client de vérifier l’adéquation entre le choix du matériel et les conditions réelles d’utilisation.
INSTRUCTIONS DE MONTAGE ET DE MAINTENANCE :
RÈGLES GENERALES :
- Bien vérifier l’adéquation entre le robinet et les conditions de service réelles (nature du fluide, pression et température)
- Prévoir suffisamment de robinets pour pouvoir isoler les tronçons de tuyauterie pour faciliter l’entretien des matériels.
- Vérifier attentivement que les robinets installés soient conformes aux différentes normes en vigueur.
INSTRUCTIONS DE MONTAGE :
- Avant montage des robinets, bien vérifier l’encombrement entre brides. La robinetterie n’absorbera pas les écarts. Les déformations résultant de cette pratique peuvent entraîner des problèmes d’étanchéité, des
difficultés de manœuvre et même des ruptures. - Vérifier la propreté des faces de brides de la robinetterie et de raccordement.
- Les tuyauteries doivent être parfaitement nettoyées et exemptes de toutes impuretés pouvant endommager les étanchéités et le papillon.
- Les tuyauteries doivent être parfaitement alignées et leur supportage suffisamment dimensionné afin que les robinets ne supportent aucune contrainte extérieure.
- Caler provisoirement les tronçons de tuyauterie qui n’ont pas encore leurs supports définitifs. Ceci pour éviter d’appliquer des contraintes importantes sur la robinetterie.
- Le robinet doit être inséré entre les brides en position entre ouverte sans que le papillon ne dépasse de l’épaisseur du robinet. Positionner toute la boulonnerie pour maintenir le robinet centré. Ouvrir complètement le robinet et serrer la boulonnerie. Voir schémas ci-dessous.
- Le serrage de la boulonnerie de raccordement doit être réalisé en croix.
- Le robinet doit être mis en place sur une partie de tuyauterie permettant le libre mouvement du papillon dans la tuyauterie.
- Les robinets resteront ouverts pendant les opérations de nettoyage des tuyauteries pour éviter d’avoir des impuretés dans le robinet.
- Les essais sous pression de l’installation doivent être effectués lorsque la tuyauterie est parfaitement propre.
- Les essais se font robinet ouvert. La pression d’essai ne doit pas dépasser les caractéristiques du robinet conformément à la norme ISO 5208.
- La mise sous pression doit être progressive.

- Ne pas monter les robinets à papillon avec des collets inox emboutis et brides tournantes sans stries.
- Ainsi que sur toutes brides et collets à face plate sans stries ( exemple : raccords fonte peints ).
MAINTENANCE :
- Il est recommandé de faire une manoeuvre complète (ouverture, fermeture) du robinet 1 à 2 fois par an.
- Lors d’une intervention sur le robinet, s’assurer que la tuyauterie n’est plus sous pression, qu’il n’y a plus d’écoulement dans la tuyauterie, que celle-ci est isolée. Vidanger tout fluide dans la tuyauterie. La température doit être suffisamment basse pour effectuer l’opération sans risque. Si le fluide véhiculé est corrosif, inerter l’installation avant intervention.
Informations données à titre indicatif et sous réserve de modifications éventuelles
TELECHARGEMENT =>
ROBINET A PAPILLON A OREILLES DE CENTRAGE type 1150 à 1158.pdf

